|  | 
| 
 本书为高等学校机械类和近机类专业技术基础课教材,是在第2版的基础上修订而成的。全书共9章,包括绪论、极限与配合、技术测量基础、几何公差、表面粗糙度、光滑极限量规、常用接合件的互换性、圆柱齿轮传动的互换性及尺寸链。各章后附有习题。 本书贯彻最新国家标准,系统而精练地阐述了互换性与技术测量的基本知识,侧重讲清概念和标准的应用;对测量部分,主要介绍测量方法的原理,一般不具体介绍仪器的结构及操作步骤。 本书可供高等学校机械类和近机类专业“互换性与技术测量”课程教学之用,也可供机械制造工程技术人员参考。 | 
|  | 
| 
 前辅文  | 
|  | 
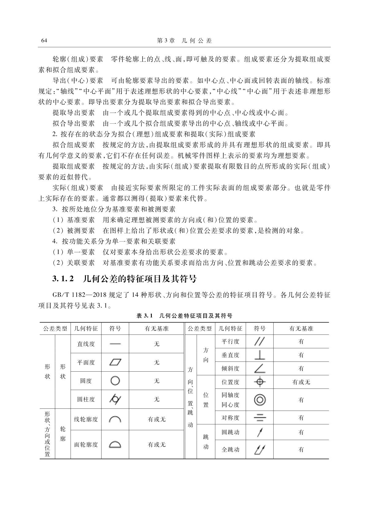
|   | 
|  | 
|   | 
| 
 | 
| 
 | 
| 
 | 
| 
 | 
| 
 | 
| 
 | 
| 
 | 
| 
 |